

之前,我們分享了毫米波通信線路板部署情形和傳播注意事項,今天,我們來看一下各種波束合成方法:模擬、數字和混合,如圖1所示。相信大家都很熟悉模擬波束合成的概念啦~



圖1. 各種波束合成方法
在這里,我們有數據轉換器,將數字信號與寬帶基帶或IF信號相互轉換,連接執行上變頻和下變頻處理的無線電收發器。在射頻(例如,28 GHz)中,我們將單個射頻路徑分成多條路徑,通過控制每個路徑的相位來執行波束合成,從而在遠場朝目標用戶的方向形成波束。這使得每條數據路徑都能引導單個波束,因此理論上來說,我們可以使用該架構一次為一個用戶服務。
數字波束成型就是字面意思。相移完全在數字電路中實現,然后通過收發器陣列饋送到天線陣列。簡單地說,每個無線電收發器都連接到一個天線元件,但實際上每個無線電都可以有多個天線元件,具體取決于所需扇區的形狀。該數字方法可實現最大容量和靈活性,并支持毫米波頻率的多用戶MIMO發展規劃,類似于中頻系統。這非常復雜,考慮到目前可用的技術,無論是在射頻還是數字電路中,都將消耗過多的直流電。然而,隨著未來技術的發展,毫米波無線電將出現數字波束合成。
近期最實用、最有效的波束合成方法是混合數模波束成型,它實質上是將數字預編碼和模擬波束合成結合起來,在一個空間(空間復用)中同時產生多個波束。通過將功率引導至具有窄波束的目標用戶,基站可以重用相同的頻譜,同時在給定的時隙中為多個用戶服務。雖然文獻中報道的混合波束成型有幾種不同的方法,但這里顯示的子陣方法是最實際的實現方法,本質上是模擬波束成型的步驟和重復。目前,報告的系統實際上支持2到8個數字流,可以用于同時支持單個用戶,或者向較少數量的用戶提供2層或更多層的MIMO。
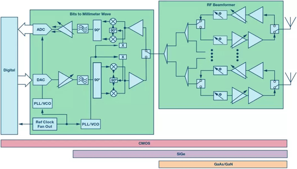
讓我們更深入地探討模擬波束成型的技術選擇,即構建混合波束成型的構建模塊,如圖2所示。在這里,我們將模擬波束合成系統分為三個模塊進行處理:數字、位到毫米波和波束成型。這并非實際系統的劃分方式,因為人們會把所有毫米波組件放在鄰近位置以減少損耗,但是這種劃分的原因很快就會變得很明顯。

圖2. 模擬波束合成系統方框圖
波束成型功能受到許多因素的推動,包括分段形狀和距離、功率電平、路徑損耗、熱限制等,是毫米波系統的區段,隨著行業的學習和成熟,需要一定的靈活性。即便如此,仍將繼續需要各種傳輸功率電平,以解決從小型蜂窩到宏的不同部署情形。另一方面,用于基站的位到毫米波無線電需要的靈活性則要小得多,并且在很大程度上可以從當前Release 15規格中派生出來。換言之,設計人員可以結合多個波束成型配置重用相同的無線電。這與當前的蜂窩無線電系統沒有什么不同,在這些系統中,小信號段跨平臺很常見,而且每個用例的前端更多都是定制的。
當我們從數字轉向天線時,就已經為信號鏈繪制了潛在技術的進展圖。當然,數字信號和混合信號都是在細線體CMOS工藝中產生的。根據基站的要求,整個信號鏈可以用CMOS開發,或者更有可能的是,采用多種技術的混合開發,為信號鏈提供最佳性能。例如,一種常見的配置是使用具有高性能SiGe BiCMOS IF 到毫米波轉換的CMOS數據轉換器。如圖所示,波束成型可采用多種技術實現,具體取決于系統需求,我們將在下面討論。根據所選的天線尺寸和發射功率要求,可以實現高度集成的硅方法,也可以是硅波束成型與離散PA和LNA的組合。
在之前的工作中,對變送器功率與技術選擇之間的關系進行了分析,在此不再全面重復。但是,為了總結這一分析,我們在圖3中包含了一個圖表。功率放大器技術的選擇基于綜合考慮所需的變送器功率、天線增益(元件數)和所選技術的RF發電能力。

圖3. 60 dBm EIRP的天線所需的變送器功率、天線尺寸和半導體技術選擇之間的關系
如圖所示,可以在前端使用II-V技術(低集成方法)或使用基于硅的高集成方法,通過較少的天線元件來實現所需的EIRP。每種方法都有各自的優缺點,而實際的實現取決于工程在規模、重量、直流功耗和成本方面的權衡。為了為表1中導出的案例生成60 dBm的EIRP,ADI 公司Thomas Cameron 博士在2018 國際固態電路會議上的演示文稿“5G毫米波無線電的架構與技術”中進行的分析得出,最佳天線尺寸介于128至256個元件之間,較低的數量通過GaAs功率放大器實現,而較大的數量可 采用全硅波束成型基于RF IC的技術實現。
表1. 5G基站示例

現在讓我們從不同的角度來研究這個問題。60 dBm EIRP是FWA常用的EIRP目標,但數值可能更高或更低,具體取決于基站和周圍環境的期望范圍。由于部署情形變化很大,無論是樹木成蔭的地區、街道峽谷地區,還是廣闊的空地,都有大量的路徑損耗需要根據具體情況進行處理。例如,在假定為LOS的密集城市部署中,EIRP目標可能低至50 dBm。
FCC按設備類別設定有定義和發布的規格,以及發射功率限制,這里我們遵循基站的3GPP術語。如圖4所示,設備類別或多或少地限定了功率放大器的技術選擇。

圖4. 基于變送器功率的各種毫米波無線電尺寸適配技術
雖然這不是一門精確的科學,但我們可以看到,移動用戶設備(手機)非常適合CMOS技術,相對較低的天線數量可以達到所需的變送器功率。這種類型的無線電將需要高度集成和省電才能滿足便攜式設備的需求。本地基站(小型蜂窩)和消費者終端設備(可移動電 源)要求類似,涉及從變送器功率要求低端的CMOS到更高端的SiGe BiCMOS的一系列技術。中程基站非常適合SiGe BiCMOS技 術,可實現緊湊的外形尺寸。在高端,對于廣域基站來說,可以應用各種技術,具體取決于對天線尺寸和技術成本的權衡。盡管可在60 dBm EIRP范圍內應用SiGe BiCMOS,但GaAs或GaN功率放大器更適合更高的功率。
圖4顯示了當前技術的快照,但行業正在取得很大進展,技術也在不斷改進,而提高毫米波功率放大器的直流功率效率是設計人員面臨的主要挑戰之一。
隨著新技術和PA架構的出現,上面的曲線將發生變化,并將為高功率基站提供集成度更高的結構。最后我們再復習一下上面的觀點,對波束成型部分進行總結——目前還沒有一種萬能的方法,可能需要設計各種前端設計來解決從小型蜂窩到宏的各種用例。